Details
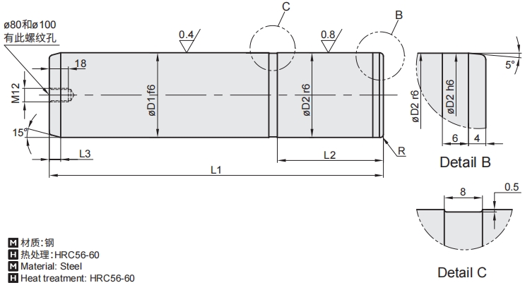
Shoulder Type Guide Posts FG-ZGY are only suit for Global Ford and Europe Ford Standard.
Guide Posts FG-ZGY are suited for shoulder type bronze Self-Lubricating bushings STT61. They are used in sliding guide system in the automotive stamping dies between die shoes.
Size Chart Order Model Product Catalog














